& sparen
Angebote
online
stöbern!
Deals
-
Ausschiebbares Stativ (bis 4 m) mit Rädern – ideal für Messung an Deckenauslässen. Die Räder können sehr leicht fixiert werden. ... Mehr »
ab 507,38 €* -
Das Produkt dient als Adapter für ein digitales oder analoges Multimeter, um die Spannung oder den Strom am angeschlossenen Gerät zu messen. Der Adapter kann Geräte mit einer Spannung von 5 V/DC (max. 10 V/DC) und einen Strom bis max. 2,4 A über ein ... Mehr »
ab 38,99 €* -
Satz aufsteckbare Adapter für die Messleitungen TL71 und TL75 IC-Prüfadapter, verlängerte Messspitzen, mittelgroße Krokodilklemmen (max. Öffnung 7, 6 mm) CAT III 300 V, 3 A. 1 Jahr ... Mehr »
ab 53,90 €* -
Hartschalenkoffer für alle industriellen Testgeräte von Fluke. Robuster, mit gewürfelter Schaumeinlage ausgestatteter Transport- und Schutzkoffer für Messgeräte und Zubehör. Der Fluke C101 Hartschalenkoffer wird mit zwei Lagen zugeschnittenem Schaumstoff ... Mehr »
ab 69,99 €* -
ROBUST: Flachkopf-Stativ in baustellengerechter Aluminium-Ausführung für den Einsatz im Außenbereich BETRIEBSSICHER: Stativbeine mit Spikes sorgen für einen festen Stand. Spreizschutz mit hochwertiger Kette HÖHENVERSTELLBAR: Flexibel einstellbar ... Mehr »
ab 94,90 €* -
Stabile Kabelmarkierschilder mit Beschriftungsfeld. Das Beschriftungsfeld ist über einen Klappdeckel geschützt. ... Mehr »
ab 62,06 €* -
Produktdetails Material , Kupfer, andere weiche Metalle, Technische Daten WEEE-Reg.-Nr. DE , 69278128, Maße & Gewicht Länge , 170 mm, Breite , 82 mm, Höhe , 63 mm, Hinweise Lieferumfang , 1 x Härteprüfgerät PCE-1000N2 x Ersatznadel2 x Kalibrierplatte1 ... Mehr »
ab 1.018,60 €* -
HITBAGGürteltasche für METRAHIT und METRAport GMC HITBAG, Hülle, Schwarz, GMS METRAHIT, METRAport GMC HITBAG. Produkttyp: Hülle, Produktfarbe: Schwarz, Kompatibilität: GMS METRAHIT, METRAport Gürteltasche ... Mehr »
ab 98,95 €* -
Gummi-Schutzhülle und Tragriemen für METRAHit. ... Mehr »
ab 58,48 €* -
Breites Einsatzgebiet, 3 Messbereiche 30 A/300 A/3000 A AC und hohe Bandbreite 10 Hz ... 20 kHz für Oberschwingungsanalyse · Genaue Messung auch bei niedrigen Strömen, durch großen Dynamikbereich und hohe Sensorempfindlichkeit · Geringer Lageeinfluss ... Mehr »
ab 743,37 €* -
APP2000 Aufkleber 1001-2000 für Barcode-Anwendungen ... Mehr »
ab 201,88 €* -
In der robusten Transporttasche mit Hartschale können Sie Ihr elektrisches Messgerät (testo 755 oder testo 770) und Zubehör sicher aufbewahren. Die beiden Netzfächer innen sorgen für den nötigen Halt der verstauten ... Mehr »
ab 37,40 €* -
Sicherheitsmessleitung mit beidseitigem Sicherheitsstecker mit Weitersteckmöglichkeit nach DIN VDE 0411/ EN 61010/ IEC 61010. ... Mehr »
ab 9,97 €* -
Der SignalTEK CT mit Touchscreen-Farbdisplay ist ein einfach zu bedienender bidirektionaler Transmission-Tester für Datenkabel zum Testen der Verdrahtung sowie der 1 Gigabit-Ethernet-Datenübertragung und erstellt im Anschluss einen aussagekräftigen ... Mehr »
ab 2.112,25 €* -
VIELSEITIG: Flexible Montage der Halterung HÖHENVERSTELLUNG: Das Zubehör ist höhenverstellbar und hat eine Arretierfunktion für eine sichere und präzise Ausrichtung KOMPATIBEL MIT: Rotationslaser GRL 400 H; GRL 300 HVG; GRL 300 HV; GRL 500 H/HV LIEFERUMFANG: ... Mehr »
ab 77,90 €* -
Fernbedienung RC 2, Mehr Nutzen durch Zubehör, Handliche Fernbedienung für den Innenbereich mit einer Reichweite von 20 m, Steuerung in drei Geschwindigkeiten für schnelle, langsame und schrittweise Bewegung, Passend zu GSL 2 ... Mehr »
ab 50,54 €* -
1/4” Stativanschluss · 3-Wege-Stativkopf · Kurbellhub (30 cm), mehrfach ausziehbare Stativbeine · Gummi-Stahlspitzen für verschiedene Untergründe. ... Mehr »
ab 57,18 €* -
Der flexible Stromsensor wird in Verbindung mit Messgeräten bis 3 V AC Messeingang eingesetzt.Die Sensorschleife kann um einen oder mehrere Leiter beliebiger Bauform (isolierte Kabel, Stromschienen, Rohre) gelegt werden.Für den autonomen Betrieb wird ... Mehr »
ab 641,90 €* -
Ersatzpartikelfilter, kompakte Sonde, 10 Stück ... Mehr »
ab 55,72 €* -
Bereitschaftstasche für Messgerät und Fühler. ... Mehr »
ab 42,94 €* -
-
Präzise Temperaturmessung: Der Temperaturfühler mit Einstechspitze bietet eine hohe Genauigkeit und stellt sicher, dass Sie genaue Temperaturdaten erhalten. Dies ist in vielen Anwendungen, von Lebensmittelverarbeitung bis hin zur Klimaanlagenwartung, ... Mehr »
ab 94,86 €* -
- Trocknungsprogramm - Bisherige Trocknungszeit - Aktuelle Temperatur - Einheit der Ergebnisanzeige - Momentaner Feuchteanteil in % - Trocknungsmodus/Statusanzeige Trocknung - Halogen-Quarzglasstrahler 400 W - Sichtfenster auf die Probe, sehr hilfreich ... Mehr »
ab 1.752,15 €* -
Zusatz- oder Ersatz USB-Videosonde zur Faserprüfung, die mit den Versiv-Produkten (Fiberinspector Pro, CertiFiber Pro, OptiFiber Pro, DSX CableAnalyzer und OneTouch AT Network Assistant) verwendet werden ... Mehr »
ab 2.365,44 €* -
Qualitativ hochwertiges Messzubehör zur Messung von Erdungswiderständen und spezifischen Erdwiderständen. 30 m Messleitung aufgewickelt auf Trommel mit Griff. Farbe: grün. ... Mehr »
ab 67,94 €* -
Der Gossen Metrawatt PRO-RLO II Messadapter ist ein hochentwickeltes Gerät, das speziell für PE-Messungen und Niederohmmessungen konzipiert wurde. Mit einer robusten Bauweise und einer Länge von 10 Metern bietet dieser Messadapter eine zuverlässige ... Mehr »
ab 244,12 €* -
Prüfspitzen für Spannungsprüfer C.A 771 / C.A 773. Spitze mit Ø 2 mm. Konform zu IEC 61243-3, 1000 V. Stecker Ø 4 mm (weiblich). ... Mehr »
ab 23,42 €* -
Fluke PM9082, BNC, 2 x 4 mm Banana, Schwarz, Rot Fluke PM9082. Anschluss 1: BNC, Anschluss 2: 2 x 4 mm Banana. Produktfarbe: Schwarz, Rot ... Mehr »
ab 87,99 €* -
Ersatzmembrankopf für GWO 5610 ... Mehr »
ab 35,93 €* -
Sonde für PE mit auswechselbarer Prüfspitze und 12 m Sondenkabel für PROFITEST PRIME, 300 V CAT IV, 16 A (Geeignet fur 25 A Kurzschlussbetrieb, 10 s „Einschaltzeit, Krokodilklemme mit ... Mehr »
ab 344,81 €* -
Bei diesem Modell können die Schutzkappen an den Messspitzen nicht mehr verloren gehen, da hier ein Schiebe-Mechanismus integriert ist, der die Schutzkappen Funktion übernimmt.Die freigelegte Messspitze ist z.B. gut geeignet um einen Kontakt bei bereits ... Mehr »
ab 31,99 €* -
Ermöglicht den Anschluss von E3N bzw. E27-Stromzangen als Stromwandler an Qualistar-Netzanalysatoren oder PEL 100 Leistungs- und Energierecordern. ... Mehr »
ab 128,78 €* -
Mit diesem Adapter werden die Multimeter mit einer seriellen IR-Schnittstelle der METRAHIT E- und S-Serie sowie X-TRA mit der USB-Schnittstelle eines PCs verbunden. Der Adapter ermöglicht die Datenübertragung zwischen Multimeter und PC. Messwerte bzw. ... Mehr »
ab 435,98 €* -
3 Phasen Adapter zur Differenzstrom- oder Schutzleiterstrommessung mit Fehlerstromzange (z.B. HT77N), 5 polig mit herausgeführter Schutzleiterschleife, Länge: 450mm ... Mehr »
ab 109,48 €* -
Servicekoffer für Messgerät und Fühler, passend für Messgeräte testo 416 / testo 425 / testo 512 / testo 110 / testo 112 / testo 720 / testo 922 / testo 925 / testo. ... Mehr »
ab 52,60 €* -
Messleitungssatz für BENNING CM 1-4. Messleitungen mit 2 mm Messspitzendurchmesser. Stecktechnik 4 mm Sicherheitstechnik. 7-teilig, rot/ schwarz, Länge = 1,40 m. CAT IV 600 V / CAT III 1000 V (mit Aufsteckkappen), CAT II 1000 V (ohne Aufsteckkappen), ... Mehr »
ab 38,71 €* -
Allgemeine Beschreibung Multimeter-Set für Sicherheitsanwendungen, als Zubehör für Messgeräte. Dieses Set umfasst verschiedene Sicherheitsmessleitungen und Prüfspitzen, die für präzise Messungen in sicherheitsrelevanten Anwendungen konzipiert sind. ... Mehr »
ab 46,99 €* -
Fluke 80PK-26, Prüfsonde, Schwarz, Gelb Fluke 80PK-26. Produkttyp: Prüfsonde, Produktfarbe: Schwarz, Gelb ... Mehr »
ab 217,82 €* -
Die Software Fluke TruTest vereinfacht die Datenverwaltung und Berichterstellung für die Geräteprüfung gegenüber herkömmlichen Verfahren. Unabhängig davon, ob Sie Geräte in einem Büro prüfen, Reparaturen in einer Werkstatt verifizieren oder jährliche ... Mehr »
ab 1.291,14 €* -
Motorisierter Zug-Druck-Prüfstand mit 500 N Kraftbereich; Notausschalter; verschieden montierbare Kraftmessgeräte; einstellbare Grenztaster; universell einsetzbar; mit präziser Geschwindigkeitseinstellung Bei dem motorisierten Zug-Druck-Prüfstand ... Mehr »
ab 1.652,50 €* -
Allgemeine Beschreibung Der NEDO Kurbelaufsatz für Nivellierstative ermöglicht es, jedes Nivellierstativ in ein Kurbelstativ zu verwandeln. Er ist mit einem Anschlussgewinde von 5/8” ausgestattet und bietet eine maximale Nutzhöhe von 105 mm. Technische ... Mehr »
ab 155,99 €* -
DIN Auslaufbecher zur Messung der Viskosität; deutscher Standard DIN 53211; Becher aus eloxiertem Aluminium / auch als Eintauchbecher DIN Auslaufbecher sind Viskositätsmesser um die Zähheit von Flüssigkeiten zu bestimmen. Angewand werden die Auslaufbecher ... Mehr »
ab 207,78 €* -
PCE Instruments Stand für Auslaufbecher PCE-BDG 130 Stativ passend für alle Auslaufbecher der PCE-Serie Produktvorteile: Das Aluminium-Stativ bietet eine präzise Stellfläche für den Dichtemessbecher und eine maßgefertige Halterung passend für alle ... Mehr »
ab 142,20 €* -
Stromzange mit hoher Auflösung für genaue Ableitstrommessungen. ... Mehr »
ab 436,43 €* -
Diese Prüfspitze ist eine einphasige Zweileiter-Commander-Prüfspitze mit Funktionstasten für Prüfbeginn und Speicher für Sicherheitsmessungen. ... Mehr »
ab 182,33 €* -
; Datenspeicher zum Datenlogging; einstellbarer Alarm bei Grenzwertüberschreitung; Transportkoffer für den sicheren Transport; für die orientierende Messung geeignet; Messbereich 0 ... 1000 μm/m3; Micro USB Schnittstelle Der Partikelzähler findet ... Mehr »
ab 670,47 €* -
SICAM Q200, multifunktionaler Netzqualitätsschreiber, PQI-A, Abmessungen (B x H x T): 192 mm x 96 mm x 134,6 mm, Schalttafeleinbaugerät mit integriertem LCD-Display, Versorgungsspannung 110 - 230 V 4 Eingänge für Wechsel- spannungsmessungen, 4 Eingänge ... Mehr »
ab 5.423,00 €* -
Ersatzteil für Installationstester C.A 6113 / C.A 6116(N) / C.A 6117 und Maschinentester C.A 6161 / C.A 6163 oder zur generellen Anwendung CAT IV 1000 V Satz von 3 Prüfspitzen in den Farben rot, grün ... Mehr »
ab 28,56 €* -
Einfache Widerstandsdekade zum Einsatz in der Ausbildung, in Labors, bei Forschung und Entwicklung und in der Wartung Gehäuse mit 1 Dekade mit 11-stelligem Wahlschalter (0 = Kurzschluss) und mit 3 Sicherheitsbuchsen Ø 4 mm Dekade: Ω x 1000 Bereich: ... Mehr »
ab 204,32 €* -
Chauvin Arnoux P03197526A ... Mehr »
ab 204,32 €* -
Hochwertiger, robuster Transportkoffer (schwarz). Abmessungen: 320 x 255 x 75 mm. ... Mehr »
ab 195,22 €* -
Rogowski-Stromwandler, 390 mm (UL zertifiziert) Die Rogowski-Spule dient zur Erfassung von Differenzströmen des Typs A auf Stromschienen und Starkstromleitungen. Die flexible Rogowski-Spule erweist sich aufgrund ihrer spezifischen Funktionalitäten als ... Mehr »
ab 295,00 €* -
Barcode-Aufkleber • Abriebfester Nummernaufkleber zur Identifizierung von Prüflingen • Fortlaufende Nummerierung • Strichkodiert (Code 39) und Klartext • Größe 54 x 15 mm • Für 0701/0702-Prüfgeräte • Für MACHINEmaster (Best.-Nr. ... Mehr »
ab 128,62 €* -
Metrel Prüfleitung (blau oder rot) mit Bananenstecker mit einem Leitungsquerschnitt von 2,5 mm2 und einer Leitungslänge von 3 m. ... Mehr »
ab 39,27 €* -
Fluke 438-II, Analysator für Leistungs- & Motorqualität, 0,01 V, IP51, LCD, 320 x 240 Pixel, 40 - 70 Hz Fluke 438-II. Produkttyp: Analysator für Leistungs- & Motorqualität, Spannungsmessauflösung: 0,01 V, Internationale Schutzart (IP-Code): IP51. ... Mehr »
ab 2.834,59 €* -
Eigenschaften: Hydraulisches Messstativ mit Zentralklemmung Eine Hand kann zum Einrichten der Messuhr frei bleiben Alle Gelenke werden durch den zentralen Knopf starr geklemmt Patentierte Mechanik erzeugt hohen Druck, so dass das Handrad nur mit geringer ... Mehr »
ab 289,99 €* -
Geliefert wird: Beha-Amprobe Tastatur KBGE-MT204S, Verpackungseinheit: 1 Stück, EAN: 0095969516402. ... Mehr »
ab 72,79 €* -
Isolierte Spitzzange mit Seitenschneider und Greifzonen, 1000 V. ... Mehr »
ab 66,30 €* -
PCE Instruments Magnetrührer PCE-MSR 40 Rührgeschwindigkeit von 50 ... 1000 U/min für max. 50 l Flüssigkeit Max. Rührviskosität: 10000 mPa·s Anzahl Rührstellen: 1 Timer: 1 s ... 99 h 59 min Rührplatte mit Oberfläche aus PC (Polycarbonat) Programmmodus: ... Mehr »
ab 466,43 €* -
VOLTCRAFT MMS-130 Messnadel Paar Bestens geeignet für Messungen an SMD-Bauteilen (Surface-Mount Devices): Aufgrund der sehr feinen Messspitzen von 0,7 mm Durchmesser eignen sich die Nadeln hervorragend, um die winzigen Pins oder Kontakte von oberflächenmontierten ... Mehr »
ab 5,09 €* -
Voltcraft MSK-135 sw Krokodilklemme Steckanschluss 4 mm CAT IV 600 V III 1000 V (VC-17155615) ... Mehr »
ab 3,65 €* -
Einlage für SORTIMO L-BOXX GMC-I Schaumstoffeinlage mit Inneneinteilung für Profitest INTRO / METRISO INTRO, BASE, TECH, PRO, XTRA ... Mehr »
ab 133,70 €* -
Die Universal Werkzeuge von Bosch – flexibel und effizient mit intelligenten Lösungen für vielfältige Projekte Der Bosch Laser UniversalLevel 2 Set - Für eine exakte Ausrichtung der Einrichtung Ersetzt das aufwendige Ausrichten mit der Wasserwaage ... Mehr »
ab 114,99 €* -
-
Verbindungskabel für DIGI-MET-Messmittel / für USB ... Mehr »
ab 86,86 €* -
Für Shore-Härtetestungen von Kunststoffen, Leder etc. geeignet Grundplatte aus Glas für höhere Messgenauigkeit Robuster mechanischer Aufbau für präzise Messbewegungen Nivelliereinrichtung zum exakten Ausrichten der Grundplatte 25 % höhere Messgenauigkeit ... Mehr »
ab 231,99 €* -
Für Shore-Härtetestungen von Kunststoffen, Leder etc. geeignet Grundplatte aus Glas für höhere Messgenauigkeit Robuster mechanischer Aufbau für präzise Messbewegungen Nivelliereinrichtung zum exakten Ausrichten der Grundplatte 25 % höhere Messgenauigkeit ... Mehr »
ab 306,99 €* -
Zubehör für Prüfgerät für die Raumluftqualität C.A 1510. Ermöglicht die Justierung des CO2-Werts des Geräts mittels zwei Referenzgasen, mitgelieferte Software, Geräteaufsatz und Schlauch. Lieferung ohne ... Mehr »
ab 153,51 €* -
Sauter ASU-01 Justiergerät zur regelmäßigen Justage des Schallpegelmessgeräts ... Mehr »
ab 379,00 €* -
Dieses Sicherheits-Messleitungs-Set verbindet Funktionalität mit Sicherheit und ermöglicht eine zuverlässige Übertragung von Messsignalen. Ideal für den Einsatz in diversen Test- und Messanwendungen. Kompatibel mit Geräten, die Schutzkontakt-Stecker ... Mehr »
ab 32,99 €* -
Stabiler Kunststoffkoffer zur sicheren Aufbewahrung ihrer hochwertigen Messgeräte. Mit Schaumstoffeinlage. ... Mehr »
ab 16,13 €* -
Ein paar Standard-PVC-Messleitungen (rot/schwarz) mit handlichem Griff und rechtwinkligen Anschluss-Steckern (1,5 m lang). ... Mehr »
ab 40,04 €* -
zum Erneuern der hinteren Kugelgelenkbuchsen Montage und Demontage geeignet für BMW 5er (E39), BMW 7er (E38) Lieferumfang: hochfeste Spindel Sechskantmutter mit Bund Antrieb Außensechskant: SW 26 mm Demontage-Druckhülse Demontage-Gegenhaltehülse mit ... Mehr »
ab 52,49 €* -
Mehr Anwendungen, weniger Equipment: Falls Sie bereits eine unserer Sonden mit universell einsetzbarem Handgriff besitzen, erweitern Sie ganz einfach Ihr Sondenportfolio mit dem CO2-Sondenkopf. ... Mehr »
ab 542,62 €* -
Aufhänge- und Befestigungssatz mit Magnethalter. Damit Sie die Hände für die Messleitungen frei haben. Das Kit enthält einen 22,5 cm langen Riemen mit Schlaufenverschluss, einen Universalaufhänger, einen Riemenaufhänger für nicht magnetische Oberflächen ... Mehr »
ab 72,99 €* -
Hochwertige Messleitung, beidseitig 4 mm Stecker mit Käfigfeder sowie 4 mm Buchse für Turmsteckbauweise. Kontaktfeder aus Kupfer-Beryllium vergoldet. Hochflexible, doppelt isolierte Litzenleitung, Griffhülse und Leitung trittfest. Eingearbeiteter Farbindikator ... Mehr »
ab 10,80 €* -
Der SignalTEK CT mit Touchscreen-Farbdisplay ist ein einfach zu bedienender bidirektionaler Transmission-Tester für Datenkabel zum Testen der Verdrahtung sowie der 1 Gigabit-Ethernet-Datenübertragung und erstellt im Anschluss einen aussagekräftigen ... Mehr »
ab 1.783,51 €* -
Aufkleber mit Zahlen 2001-3000 für Barcodeanwendungen ... Mehr »
ab 199,09 €* -
Eigenschaften:Leichte und robuste Alu-Konstruktion mit 5/8"-AufnahmeHohe Standfestigkeit, auch auf weichem UntergrundSchnell und problemlos aufbaubar und von 1,07 - 1,73 mm höhenverstellbar Bitte beachten Sie: Dekoration nicht im Lieferumfang enthalten. ... Mehr »
ab 142,50 €* -
Die Stromzange E27 ist ein isolierter Stromwandler mit der Hall-Effekt-Technologie, um Form und Amplitude von Gleich- und Wechselströmen auf Oszilloskopen abzubilden. Sie verfügt über zwei Messbereiche, um Stromstärken bis zu 100 A mit einer Bandbreite ... Mehr »
ab 443,29 €* -
Die Spitzen sind mit Schraubgewinden versehen, das den Wechsel vereinfacht. Die Spitzen unterliegen im Messbetrieb dem Verschleiß und nutzen sich bei der Einstichmethode in Mauerwerk stärker ab als in Holz. Zudem erschweren verbogene oder abgenutzte ... Mehr »
ab 6,79 €* -
Mehr Nutzen durch Zubehör Handliche Fernbedienung für den Innenbereich mit einer Reichweite von 20 m Steuerung in drei Geschwindigkeiten für schnelle, langsame und schrittweise Bewegung Passend zu GSL 2 ... Mehr »
ab 50,23 €* -
Die neuen flexiblen Stromzangen iFlexTM von Fluke erweitern den Messbereich ausgewählter Fluke Geräte auf 2500 A und bieten Ihnen dabei ein Höchstmaß an Flexibilität. iFlex Stromzangen werden direkt an das Messgerät angeschlossen und zeigen ihre ... Mehr »
ab 192,44 €* -
Berührungsgeschützte, unzerbrechliche, weitöffnende Abgreifklemme. ... Mehr »
ab 5,03 €* -
Der 32 A CEE-Kupplung auf Schutzkontaktstecker von Benning ist ein hochwertiger Messadapter, der speziell für die Verwendung mit dreiphasigen Verbrauchern konzipiert wurde. Dieser passive Adapter ermöglicht die präzise Messung von Widerstand, Isolationswiderstand ... Mehr »
ab 89,64 €* -
Robuste Messgeräte-Tasche. ... Mehr »
ab 34,50 €* -
Konus passend zu testo 308, testo 320, testo 330-2, testo 330i, testo 380. ... Mehr »
ab 24,82 €* -
-
Prüfleitung, schwarz 50 m verlängerungsleitung für Erdungswiderstand oder Potentialausgleichsmessung. ... Mehr »
ab 104,60 €* -
Berührungssichere Messleitung nach IEC 61010, beiderseitig Sicherheitsstecker mit 4 mm Durchmesser und geradem/rechtwinkligem Abgang Kontaktfeder Kupfer-Beryllium vernickelt. Hochflexible, doppelt isolierte Litzenleitung, Griffhülse und Leitung trittfest. ... Mehr »
ab 11,99 €* -
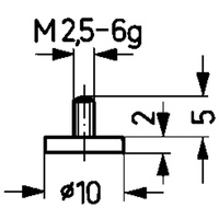
Ersatz-Tasteinsatz für 3D-Taster Eigenschaften:Passend für Universal-3D-Taster und digitale 3D-Taster Technische Daten: Marke: HAIMERLänge: 25 mmTastkugel-Durchmesser: 4 mmpassend zu: 3D-Taster Bitte beachten Sie: Dekoration nicht im Lieferumfang enthalten. ... Mehr »
ab 29,49 €* -
RFID-Tag Anhänger. Frequenz0.125 MHz. Die Prüflingsidentifikation erfolgt mittels Funkfrequenz (Radio Frequency IDenditfiCation) ohne Sichtkontakt oder direkte Berührung des RFID-Tags. Jeder RFID-Tag verfügt über eine weltweit eindeutige UID Nr. ... Mehr »
ab 257,67 €* -
Gepolsterte Tragetasche für den Energie- oder Power-Logger Fluke 17XX und für Zubehör. ... Mehr »
ab 227,83 €* -
Maximale Sicherheit durch Qualität: Ausnahmslos alle Geräte durchlaufen in der firmeneigenen Fertigung im niedersächsischen Vechta strengste Qualitäts- und Sicherheitsprüfungen. Hochwertiges Werkzeug für Ihre Werkstatt: Der qualitative CEE-Adapter ... Mehr »
ab 52,36 €* -
Breites Einsatzgebiet, 3 Messbereiche 3 A/30 A/300 A AC und hohe Bandbreite 20 Hz ... 100 kHz für Leistungs- sowie Netzanalyse · Genaue Messung auch bei niedrigen Strömen, durch großen Dynamikbereich und hohe Sensorempfindlichkeit · Geringer Lageeinfluss ... Mehr »
ab 576,41 €*
Top Kategorien
Durchsuchen Sie unsere Top-Kategorien.
Copyright © 2009 - 2025 | Preisgenau.de | Alle Rechte vorbehalten






























![VOLTCRAFT Sicherheits-Messleitung [4mm Sicherheits-Stecker Prüfspitze] 1.00 m Schwarz, Rot](https://www.preisgenau.de/bilder/3722662058.jpg)































































