-
das Stecken unterschiedlicher Polzahlen PVC-Leitung für Temperaturen ≤ 70°C Isolierteile für Temperaturen ≤ 105°C ... Mehr »
ab 4,99 €* -
Mit Befestigungsflanschen, für Schraub- u.ä. Befestigungsarten Befestigungsloch Ø 3,2 mm, mit Montagefuß 209-123 auch auf TS 35, 4-polig, grau. ... Mehr »
ab 236,39 €* -
PROFI-SET mit Spannungsprüfer beinhaltet: 100 x Verbindungsklemmen 2 x 0,2 ... 4 mm2 e+m / 0,14 ... 4 mm2 f (221-412), 200 x Verbindungs- dosenklemmen 3 x 0,5 2,5 mm2 e (2273-203), 200 x Verbindungsklemmen 3 x 0,2 ... 4 mm2 e+m / 0,14 ... 4 mm2 f (221-413), ... Mehr »
ab 254,72 €* -
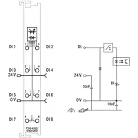
8-Kanal-Digitaleingang, DC 24 V, 3 ms, ExtremDas Digitaleingangsmodul verfügt bei nur 12 mm Baubreite über 8 Kanäle. Es erfasst Steuersignale aus dem Feldbereich, z.B. über Sensoren. Zur Störunterdrückung ist jedem Eingang ein Filter vorgeschaltet. ... Mehr »
ab 127,66 €* -
2-Leiter-N-Trennklemme 2,5 mm2 Push-in CAGE CLAMP® 2,50 mm2 blau ... Mehr »
ab 121,97 €* -
Klinge (3,5 x 0,5) mm, kurz, passend zu Serien 260,261,262,264,270,280,281,869,870,880. ... Mehr »
ab 4,32 €* -
PROBLEMLÖSER: Leitungen einfach verlängern und reparieren. Viel Platz in der Anwendung dank kompakter Bauform mit kleinsten Abmessungen SICHER: Immer sichere und zuverlässige Verbindungen. Einfaches Prüfen der korrekten Leiterposition durch ein klar ... Mehr »
ab 24,84 €* -
Energiezähler (MID), für Direktanschluss, 65A, 3x230/400V, 50Hz, MID und METAS, Modbus® und M-Bus, 2 x S0-Schnittstelle, 4PSKurzbeschreibung: Um den Energieverbrauch zu optimieren, ist eine umfassende Energiemessung notwendig. WAGO hat hierfür jetzt ... Mehr »
ab 269,00 €* -
4-Leiter-Klemme für Schwachstrom-Installationen bis zu 8 eindrähtige Leiter stecken, statt verdrillen komfortabler Befestigungsadapter für TS35 oder Schraubbefestigung Querschnittsbereich 0,6 - 0,8 mm für mehr Produktinformation haben wir unter "Bedienungsanleitung" ... Mehr »
ab 0,25 €* -
Maßangaben Breite , 22.00 mm, Farbe & Material Farbe , Transparent + Gelb, Material , Strombrücke: Elektrolytkupfer, verzinnt, Klemmfeder: Cr-Ni-Stahl, hochlegiert, Hinweise Warnhinweise , n/a, ... Mehr »
ab 8,72 €* -
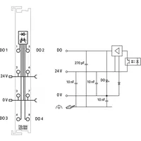
Wago 750-559, 4 Kanäle, 0,5 kV, Ausgang, 12 Bit, 10 ms, 12 x 100 x 69,8 mm Wago 750-559. Anzahl Kanäle: 4 Kanäle, Entkopplung: 0,5 kV. Signalentdeckung: Ausgang, Auflösung: 12 Bit, Konversionszeit: 10 ... Mehr »
ab 230,15 €* -
Hauptverteiler-Set FI o. NS Wago TOPJOP-S Beschreibung: Für die Hauptverteilung mit mehreren FI-Schaltern und dementsprechend kleinen Stromkreisgruppen. Beinhaltet alle erforderlichen Komponenten zur Verdrahtung einer Einspeisung und den Anschluss von ... Mehr »
ab 122,36 €* -
Betätigungswerkzeug Klinge 2,5 x 0,4 mm mit teilisoliertem Schaft ... Mehr »
ab 4,47 €* -
DC-DC-Wandler Eingangsspannung DC 24 V Ausgangsspannung DC 10 V Ausgangsstrom 0,5 A 2,50 mm2 grau ... Mehr »
ab 69,96 €* -
5-fach-Verteiler 3-polig Kod. A 1 Eingang 5 Ausgänge beidseitige Abgänge schwarzVerteiler WINSTA® MIDI mit Schutzart IP20Vertrauen Sie bei der Umsetzung der Elektroinstallation auf bewährte Nachhaltigkeit: der Verteiler aus der Familie WINSTA® MIDI ... Mehr »
ab 9,79 €* -
4-Leiter-Buchsenklemme PUSH WIRE® Ø 0,8 mm Rastermaß 5,75 mm 2-polig für Einzellötstifte für KNX lichtgrau/gelbKompakte 4-Leiter-KNX/EIB-Steckverbinder mit PUSH WIRE®-Anschluss . Eindrähtige Leiter direkt steckbar. 4-Leiter-Anschluss keine Unterbrechung ... Mehr »
ab 21,16 €* -
Controller PFC100 2. Generation 2 x ETHERNET, RS-232/-485Der Controller PFC100 ist eine kompakte Steuerung an dem modularen WAGO I/O System. Neben den Netzwerk- und Feldbusschnittstellen unterstützt er digitale und analoge Module sowie Sondermodule der ... Mehr »
ab 862,57 €* -
Extrem schlank Die Klemmen der Generation 221 sind ein echtes Raumwunder: Ihr Volumen hat sich im Vergleich zum Vorgängermodell (Serie 222) um 40 % reduziert. Damit können Elektroinstallateure jetzt auch Anwendungen mit beengten Einbaubedingungen problemlos ... Mehr »
ab 9,29 €* -
Relais mit 1 Öffner und 1 Schließer (1ar), grau. ... Mehr »
ab 57,94 €* -
Nur 18 mm breit liefert die Stromversorgung Compact (787-1200) einen Ausgangsstrom von 0,5 A und arbeitet auch bei anspruchsvollen Umgebungstemperaturen absolut zuverlässig. Die Abmessungen des Reiheneinbaugehäuses der Stromversorgung Compact (787-1200) ... Mehr »
ab 18,49 €* -
2-Leiter-Durchgangsklemme mit Drücker 1,5 mm2 mit Prüföffnung seitliche und mittige Beschriftung für Tragschiene 35 x 15 und 35 x 7,5 Push-in CAGE CLAMP® 1,50 mm2 grau ... Mehr »
ab 0,99 €* -
Defekt-Anzeige durch LED, mit Prüfmöglichkeit ... Mehr »
ab 12,99 €* -
Wago 206-1128 Messerset, Oval-Messer, 10 mm2 16 mm2, für 206-1125 2061128 ... Mehr »
ab 62,99 €* -
2-Leiter-Sicherungsklemme für G-Sicherungseinsatz 5 x 20 mm ohne Defektanzeige für Tragschiene 35 x 15 und 35 x 7,5 6 mm2 CAGE CLAMP® 6,00 mm2 grau ... Mehr »
ab 5,04 €* -
Beidseitig mit Betätigungsdrückern, mit Befestigungsflanschen für Schraub- u.ä. Befestigungsarten, Befestigungsloch Ø 3,2 mm, mit Montagefuß 209-123 auch auf TS 35, 2-polig, grau. ... Mehr »
ab 90,56 €* -
Wago 792-802, Terminal, 24 V, 10 A, Grau, IP20, 38 g Wago 792-802. AC-Steckertypen: Terminal, Nominale Eingang Spannung: 24 V, Nominale Stromabgabe: 10 A. Produktfarbe: Grau, Internationale Schutzart (IP-Code): IP20. Gewicht: 38 g, Breite: 6 mm, Tiefe: ... Mehr »
ab 77,66 €* -
Beidseitig mit Betätigungsdrückern, mit Befestigungsflanschen für Schraub- u.ä. Befestigungsarten, Befestigungsloch Ø 3,2 mm, mit Montagefuß 209-123 auch auf TS 35, 3-polig, grau. ... Mehr »
ab 129,17 €* -
Beidseitig mit Betätigungsdrückern, mit Befestigungsflanschen für Schraub- u.ä. Befestigungsarten, Befestigungsloch Ø 3,2 mm, mit Montagefuß 209-123 auch auf TS 35, 5-polig, grau. ... Mehr »
ab 206,67 €* -
EINFACHE HANDHABUNG: Kompakte WAGO Durchgangsklemme mit 3 Klemmstellen, transparentem Gehäuse und Prüföffnungen; Zeitersparnis durch einfache Anwendung - Hebel auf, Leiter rein, Hebel zu KOMFORTABEL und SCHNELL: Komfortabler Leiteranschluss von bis ... Mehr »
ab 8,06 €* -
2-Leiter-Klemmenleiste, ohne Drücker, mit Befestigungsflanschen, 6-polig, für Schraub- u.ä. Befestigungsarten, Befestigungsloch Ø 3,2 mm, 2,5 mm2, CAGE CLAMP®, 2,50 mm2, grau ... Mehr »
ab 53,89 €* -
Mit Befestigungsflansch, grau. ... Mehr »
ab 0,15 €* -
Klemmt alle Kupferleiter-rüttelsicher, schnell und wartungsfrei. Beschädigungsfreie Leiter- klemmung mit vorprogrammierter Klemmkraft. Diese passt sich automatisch dem Querschnitt an. Die CAGE CLAMP drückt flächig gegen den Leiter, ohne ihn zu beschädigen. ... Mehr »
ab 0,46 €* -
Leiterplattenklemme, Hebel, 6 mm2, Rastermaß 7,5 mm, 1-polig, Push-in CAGE CLAMP, 6,00 mm2, grau Wago 2606-3101, 10,3 mm, 24 mm, 31 mm, 800 V Wago 2606-3101. Breite: 10,3 mm, Tiefe: 24 mm, Höhe: 31 mm. Nennspannung: 800 ... Mehr »
ab 267,49 €* -
Federleiste, 4-polig, Rastermaß 5 mm Federleiste; mit Verriegelungsklinken; 4-polig; Rastermaß 5 mm / 0.197 in; kodierbar; mit 2 Rastklinken; mit Kodiernase; mit Rastnase Hinweise Artikelbeschreibung:- Universalanschluss für alle Leiterarten- Zwei ... Mehr »
ab 120,64 €* -
Verpackungsart: Karton Produkthauptfunktion: Montagematerial Montageart: Tragschiene 35 x 15 Gewicht: 1.537 g ... Mehr »
ab 12,01 €* -
Verbindungsklemme zum Stecken - Serie 243, dunkelgrau/rot Kompakte 4-Leiter-Buchsenklemme mit PUSH WIRE®-Technologie für den einfachen und sicheren Anschluss von Massivleitern in KNX-Installationen. · Schnelle, werkzeuglose Verdrahtung durch PUSH WIRE®-Anschlusstechnik ... Mehr »
ab 21,16 €* -
16-Kanal-Digitaleingang DC 24 V 3 msDas Digitaleingangsmodul verfügt bei nur 12 mm Baubreite über 16 Kanäle.Es erfasst binäre Steuersignale aus dem Feldbereich, z. B. von Sensoren, Gebern, Schaltern oder Näherungsschaltern.Das Modul besitzt Push-in ... Mehr »
ab 109,99 €* -
TOPJOB®S-INSTA-BOX, L-BOXX® 102 mit Betätigungsöffnung - für 3 normgerechte Verteilungen Installationsetagenklemmen mit komplettem Zubehör für 3 normgerechte Verteilungen in Ein- und Mehrfamilienhäusern In der praktischen Sortimo®-T-BOXX - passend ... Mehr »
ab 246,22 €* -
Beschriftungsstreifen für Smart Printer auf Rolle nicht dehnbar unbedruckt aufrastbar weiß ... Mehr »
ab 126,98 €* -
VIELSEITIG: Unser WAGO Verbindungsklemmenset enthält 2-, 3-, 5-Leiter-Klemmen, Befestigungsadapter, Gelboxen und Brücker, Serie 2273 (302 Stück), 221 (250 Stück) und 207 (3 Stück) - Verbindungsklemmen für alle Leiterarten PRAKTISCH: Lüsterklemme ... Mehr »
ab 209,55 €* -
VIELSEITIG: Unser WAGO Verbindungsdosenklemmenset enthält 2-, 3-, 5-, 8-Leiter-Klemmen der Serie 2273 (400 Stück) und 4 Befestigungsadapter (Serie 2273) - Verbindungsklemmen für alle Leiterarten PRAKTISCH: Lüsterklemme war damals - so verbindet man ... Mehr »
ab 59,72 €* -
Wago 2009-174, Prüfstecker-Adapter, Grau, 10,2 mm, 7,2 mm, 48,6 mm, 2,5 g Wago 2009-174. Typ: Prüfstecker-Adapter, Produktfarbe: Grau. Breite: 10,2 mm, Tiefe: 7,2 mm, Höhe: 48,6 mm ... Mehr »
ab 4,36 €* -
Relaismodul Eingangsnennspannung DC 12 V 2 Wechsler Grenzdauerstrom 8 A Statusanzeige rot 15 mm Baubreite 2,50 mm2 grau ... Mehr »
ab 9,03 €* -
Application Building Control Single License Online activation ... Mehr »
ab 499,07 €* -
HOCHWERTIG: Die originalen Strom Versorgungsgeräte von WAGO mit Tragschienenadapter ermöglichen die einfache und effiziente Intallation im Schaltschrank bei hoher Vibrations- und Schockbeständigkeit SICHER: Die hoch effizienten Geräte erfüllen die ... Mehr »
ab 107,10 €* -
Application Grid Gateway, Single License, Online activationDie „Application Grid-Gateway“ unterstützt Betreiber von Energieverteilnetzen bei der Beurteilung der Leistungsfähigkeit ihres Netzes. Mit dieser Applikation kann der Netzbetreiber das vorhandene ... Mehr »
ab 479,88 €* -
EINFACHE HANDHABUNG: Kompakte WAGO Durchgangsklemme mit 5 Klemmstellen, transparentem Gehäuse und Prüföffnungen. Zeitersparnis durch einfache Anwendung - Hebel auf, Leiter rein, Hebel zu KOMFORTABEL & SCHNELL: Komfortabler Leiteranschluss von bis zu ... Mehr »
ab 17,65 €* -
4 Pulsweitenausgänge, DC 24 V, 0,2 A, 20 kHz, EinstellbarDas Modul gibt an 4 Kanälen getrennt einstellbare PWM-Signale aus. Die Kanäle können einzeln als LSS (negativschaltend) oder HSS (positivschaltend) konfiguriert werden und sind kurzschlussfest ... Mehr »
ab 245,31 €* -
Zuverlässiges Schaltnetzteil für industrielle Anwendungen 24 VDC Ausgangsspannung, 5 A Ausgangsstrom (120 W) DC-OK-LED für optische Statusanzeige Großer Eingangsspannungsbereich: 90–264 V AC, 50/60 Hz Einfache DIN-Hutschienenmontage (EN 60715), ... Mehr »
ab 39,65 €* -
Um den Energieverbrauch zu optimieren, ist eine umfassende Energiemessung notwendig. WAGO hat hierfür jetzt neue Energiezähler im Portfolio, die zahlreiche Vorteile bieten. Sie verwenden die Push-in-Anschlusstechnik mit Hebel und lassen sich dadurch ... Mehr »
ab 206,99 €* -
-
2-Leiter-Durchgangsklemme, 4 mm2, für Tragschiene 35 x 15 und 35 x 7.5, CAGE CLAMP 2-Leiter-Durchgangsklemme; 4 mm2; seitliche Beschriftungsaufnahmen; für Tragschiene 35 x 15 und 35 x 7,5; CAGE CLAMP® Wago 281-101, 6 mm, 42,5 mm, 32,5 mm, 800 V Wago ... Mehr »
ab 2,28 €* -
DC 24 V, EXT0,0,208333333333333, positivschaltend, kurzschlussfest, lichtgrau. ... Mehr »
ab 72,20 €* -
Wago 750-454. Anzahl Kanäle: 2 Kanäle, Entkopplung: 0,5 kV. Signalentdeckung: Eingang, Spannung: 35 V, Auflösung: 12 Bit (750-454). ... Mehr »
ab 309,97 €* -
Abschluss- und Zwischenplatte 0,8 mm dick grau ... Mehr »
ab 0,70 €* -
Elektronischer Schutzschalter 1-kanalig Eingangsspannung DC 24 V 1 A NEC Class 2 MeldekontaktMerkmale: Platzsparender elektronischer Schutzschalter, mit einem Kanal. Zur sekundärseitigen Absicherung, schaltet zuverlässig und sicher bei Überlast und ... Mehr »
ab 18,79 €* -
3-Leiter-Durchgangsklemme 6 mm2 für Anwendungen Ex e II geeignet seitliche und mittige Beschriftung für Tragschiene 35 x 15 und 35 x 7,5 Push-in CAGE CLAMP® 6,00 mm2 grau ... Mehr »
ab 2,30 €* -
Kabelschneider - für Kupfer- und Aluminiumleitungen bis 35 mm Wago 206-118, Vornschneider, Grün, 215,6 g Wago 206-118. Typ: Vornschneider, Handgrifffarbe: Grün. Gewicht: 215,6 g ... Mehr »
ab 46,03 €* -
Während der Isolationswiderstandsprüfung sind die aktiven Leiter miteinander zu verbinden. Die integrierte Betriebsanzeige in der Schaltschrank-Steckdose ist vor transienten Überspannungen zu schützen. Der Überspannungsschutz in Niederspannungsanlagen ... Mehr »
ab 7,55 €* -
Für Doppel- und Dreistockklemmen, Serien 280 und 281. ... Mehr »
ab 9,44 €* -
Anschlussbox für Leuchten und Geräte mit Linect ®-Schnittstelle weiß ... Mehr »
ab 157,13 €* -
Doppelstockklemme; Durchgangs-/Durchgangsklemme; N/N; mit Beschriftungsträger; Gehäusefarbe blau; für Anwendungen Ex i geeignet Durchgangs-/Durchgangsklemme Wago 2000-2234, 3,5 mm, 69,7 mm, 61,8 mm, 500 V Wago 2000-2234. Breite: 3,5 mm, Tiefe: 69,7 ... Mehr »
ab 89,73 €* -
Abschluss- und Zwischenplatte 1 mm dick grau ... Mehr »
ab 0,75 €* -
1-Leiter-N-Trennklemme 10 mm2 CAGE CLAMP® 10,00 mm2 blau ... Mehr »
ab 5,39 €* -
2-Leiter-Durchgangsklemme, 6 mm2, mit berührungssicheren Prüfbuchsen, für Prüfstecker Ø 4 mm, seitliche und mittige Beschriftung, für Tragschiene 35 x 15 und 35 x 7,5, CAGE CLAMP®, 6,00 mm2 ... Mehr »
ab 101,28 €* -
-
Transformatorklemme 2-polig CAGE CLAMP®-Anschluss für Leiter grau Transformatorenklemmen Serie 711, grau Bei diesen Transformatorenklemmen (Artikelnummer 711-132) steht ein einfacher und sicherer Anschluss im Fokus. Bei diesen Transformatorenklemmen ... Mehr »
ab 46,77 €* -
Schraubenlose Endklammer 10 mm breit für Tragschiene 35 x 15 und 35 x 7,5 grau ... Mehr »
ab 0,84 €* -
Wago 870-568, Anschlussblocktrenner, Grau, 2 mm, 106 mm, 52,5 mm, 5,31 g Wago 870-568. Typ: Anschlussblocktrenner, Produktfarbe: Grau. Breite: 2 mm, Tiefe: 106 mm, Höhe: 52,5 mm ... Mehr »
ab 2,09 €* -
1-Leiter-N-Trennklemme Wago 781-613, 6 mm, 77 mm, 43,5 mm, 400 V Wago 781-613. Breite: 6 mm, Tiefe: 77 mm, Höhe: 43,5 mm. Nennspannung: 400 V ... Mehr »
ab 3,69 €* -
Controller Modbus TCP, 4. Generation, 2 x ETHERNET, ECODer Modbus TCP-Controller kann in Verbindung mit dem WAGO-I/O-System als programmierbare Steuerung in Ethernet-Netzwerken eingesetzt werden. Der Controller erkennt die gesteckten I/O-Module und erstellt ... Mehr »
ab 414,14 €* -
Aktionspaket bestehend aus:1 Stück INSTA-BOX Artikelnr. 821-162, 1 Stück WAGO Thermotransferdrucker Smart Printer Artikelnr. 258-5000. ... Mehr »
ab 534,37 €* -
-
PASSGENAU: Die Befestigungs-Adapter mit den Maßen: 17,5 x 77,6 mm passen für die WAGO Verbindungsklemmen der 221er Serie und können mit unseren Beschriftungsstreifen 210-833 gekennzeichnet werden VIELSEITIGE HANDHABUNG: Die Adapter können ganz einfach ... Mehr »
ab 5,20 €* -
Verbindungsdose, mit Schutzart IP54/IP65, Nennquerschnitt 4mm2, Ui=450V AC, zertifiziert nach VDE (DIN EN 60670-1/-22 (VDE 0606-1/-22)), Ausschlagmembranen, M20/M25, (2 rückseitig, 7 seitlich), innenliegende Befestigungsstellen, mit schraubenlosen Klemmen ... Mehr »
ab 9,81 €* -
Stecker, 4-polig, Kod. A Wago 770-214, Stiftleiste, Gerade, Männlich, 400 V, Schwarz Wago 770-214. Typ: Stiftleiste, Verbindungstyp: Gerade, Steckerverbindergeschlecht: Männlich ... Mehr »
ab 116,60 €* -
Das WAGO-Kommunikationskabel bietet eine einfache Möglichkeit der Kommunikation mit den WAGO-Software-Tools (WAGO-I/O-CHECK, WAGO-I/O-PRO,....)Achtung: Die Kommunikationsleitung darf nicht unter Spannung getrennnt bzw. verbunden werden. Kommunikationskabel, ... Mehr »
ab 71,80 €* -
WMB-Beschriftungskarte als Karte bedruckt 51 100 (2x) nicht dehnbar Aufdruck waagerecht aufrastbar weiß ... Mehr »
ab 4,15 €* -
Für G-Sicherungseinsätze, mit roter LED DC 24 V 1⁄4' x 11⁄4', grau. ... Mehr »
ab 8,80 €* -
Potentialabgriff 855-8015 Hersteller: WAGO GmbH & Co. KG Bezeichnung: Potentialabgriff mit Sicherung (L) Typ: 855-8015 Art des Zubehörs/Ersatzteils: sonstige Zubehör: ja Ersatzteil: nein Der Potentialabgriff für Sammelschiene mit Sicherung ist ideal ... Mehr »
ab 47,70 €* -
Stecker, 2-polig, Kod. B, 4,00 mm2, grauStiftleiste WINSTA® MIDI mit Fehlsteckschutz Für Signal- und Leistungsübertragung: die Stiftleiste WINSTA® MIDI Kodierung B. Ganz gleich, ob auf der Leiterplatte, im Schaltschrank oder für den Leuchtenanschluss ... Mehr »
ab 194,94 €* -
Load Management Controller Hardware + Software BundleDer WAGO Load Management Controller mit der bereits vorinstallierten WAGO Application Load Management ist ein dynamisches Lastmanagement zur Regulierung der Gesamtladeleistung an einem Netzanschlusspunkt ... Mehr »
ab 849,68 €*
Marken-Küchengeräte
ab 700 Euro
Jetzt vergleichen
& sparen
& sparen
Kleine Digitalkameras
ab 250 Euro
Günstige
Angebote
online
Angebote
online
Schmuck und Uhren
ab 99 Euro
Jetzt online
stöbern!
stöbern!
Deals
Top Kategorien
Durchsuchen Sie unsere Top-Kategorien.
Moderne Überwachungskameras
Moderne Kameras zur Überwachung Ihres Grundstück. Jetzt vergleichen!
Ansehen ›
Smart TVs: Apps und Internet
Riesige Auswahl an Top Smart TVs. Jetzt stöbern & vergleichen!
Ansehen ›
Kreative Haus -& Gartenideen
Tolle Ideen zu Haus und Garten. Alles für ein schönes Zuhause!
Ansehen ›
Copyright © 2009 - 2025 | Preisgenau.de | Alle Rechte vorbehalten

















































































